EVR-3とMUSES 03を用いた EVR-3 type II ヘッドホン・アンプ2

錘を載せたのだが
ラジオ技術誌2017年7月号の電子ボリュームEVR-Xでは、MUSES 03オペアンプの上にカットした真鍮棒を載せて、音が良くなったと喜んでいました。編集部の試聴会にも見参させてもらい、参加者の方々からお褒めの言葉も頂戴致しました。
ところが、数日して戻ってきたEVR-Xは、音が出ません。えっ、と思ってケースを空けると、なんと、真鍮棒を接着したMUSES 03はソケットから抜け落ち、足は折れ、無残な姿に…。う~ん。よほどの衝撃が加わったのでしょう。痛い。財布が。
ICソケットは、押し込み力がほとんど要らない安物ではありません。スイス製のPreciDipです。試しにオペアンプ(MUSESではない)を入れた基板を落としても、そう簡単には抜けません。おそらく、かなりの衝撃が…。
抜け落ちをなくすにはソケットを止めて半田付けする、のがよいのですが、オペアンプを差し替えて試したいこともあります。ですので、ソケットに入ったICを上から押さえつける手を考えました。新たに押さえ金具を作ることも考えたのですが、手間なので、ケースの上蓋で押さえます。ただし直接上蓋で押さえつけるとなると、寸法合わせはシビアーです。0.1 mmでも長ければ、ICのリードやソケットに余計な力が加わります。ここは上蓋との間に弾性材を挟み込むことにします。
ですが、作るモノに合わせた長さで真鍮棒をカットするのが面倒です。年齢とともに、じゃなかった、若いときから手抜きすることばかり考えています。そんなことを考えるのなら、音をよくすることを考えるべきですが、そっちは滅多に考えつきません。
でも、窮すれば通ず、は大げさですけど、考えれば思いつくものです。真鍮の六角スペーサです。プリント基板を固定するアレ、太くて長いのです。M6サイズだと幅が10 mmで、オペアンプに載せるのにちょうど良い。長さは,ネジを入れれば簡単に調整できます。
本機ではM6×20の六角スペーサに、M6×20の六角ボルトを用いました(写真A)。合わせて16 gです。スペーサとICは、セメダインスーパーX を用いて接着します。弾性材としてソルボセインを上蓋、ボルトの上の位置に貼ります。フロントとリアのパネルの上に定規を載せて高さがわかるようにして、3 mm厚のソルボセインが1 mmほどつぶれる高さにボルトを調整しています。ソルボセインは台紙をはがして上蓋にひっつけます。材料の融着性がありますので、接着剤は不要です。一度蓋を閉めれば、蓋裏にくっつきます。

写真A MUSES 03に載せたスペーサと六角ボルト
錘を載せる御利益
論より証拠「百聞は一見にしかず」ではなく「一聴にしかず」。聞けば違いが聞こえます。余計な付帯音が隠れ,静かになります。クリアさがアップするとでもいうのでしょうか。簡単に試みられますから、是非聞いてやってください。変化が聞こえなかったとしても、悪くなることはありません。
オペアンプも、信号を通過させるときに振動すると考えます。わずか数mAの電流ですが、3 mm角ほどの微細なチップの上に回路を構成しています。電流路と電流路の間はわずか数μmです。流路間はキャパシタンス成分を持ちます。キャパシタの極板間に電位差があれば、そこに電界が存在し、極板にはクーロン力が働きます。ごくわずかですが、理論的には振動(加速度)が生じます。ICパッケージへの質量付加は、このICチップに生じる加速度を低減します。
まさか、と思われるかもしれませんが、石のパワーアンプを作った人なら、数kHzの正弦波信号を入力するとヒートシンクが鳴くのはご存じでしょう。つまり、パワートランジスタがヒートシンクを加振します。したがって、ヒートシンクによってアンプの音が変わるのは当然のことです。
オペアンプにも同じ現象が生じていると考えます(測定データがないので空想ですけど)。プリント基板の厚みを変えると音が変わるのも、取り付けるケースによって音が変わるのも、同じ理由と考えます。
SiCダイオード
2017年11月号のヘッドホン・アンプ1でオペアンプに錘を載せようと考えると、ケミコン端子の上に載せた基板の上のMUSES 7001が干渉します。空いたスペースに載せられるようにと整流基板を作ったのですが、しかもこの基板は、ブロックケミコンと整流回路をいっぺんに配線できて便利なのですが、このままでは使えません。
そんなときに秋月電子のホームページを見ていたら、NJD 7002なるダイオードが。MUSESの看板は背負っていませんが、7001の次の番号です。これはもしや、と新日本無線に問い合わせると、MUSES 7001と同じくシリコンカーバイド(SiC)ショットキーバリアダイオード(SBD)とのこと。「電流が小さく、パッケージも軽いためMUSESの名はかぶせなかったけれども、聞いてみてください」とのことです。
はい。いわれなくても聞いてみました。たしかに小さい。SSOP-8なる表面実装パッケージです。その片側をすべてカソードに、反対側をすべてアノードとした粋なピン配置です(第1図)SiC-SBDらしいクッキリとした音です。さすがにMUSES 7001と比べると細身というか、寂しい傾向ではあります。ところが、透明感はあります。何十年も使っていたERC-84-009と比べて明確な音像です。これはイケます。平均電流も、オペアンプ4個が最大出力になったとして、ちょうど足ります。しかも@200円。財布への負荷も軽くなります。

第1図 NJD 7002ピン配置
また、ブロックケミコンの上に取り付ける整流基板(SKHBR-7002)を作りました(写真B)。基板の厚みは2 tとしています。標準厚の1.6 tと比べてはいませんが、アンプ基板で良かったのですから、整流基板でも厚い方が良いにちがいない、と決めつけます。それにダイオードのパッケージは極小です。より効いているはずだ、と盲信します。
こうやって聞かないで決めつけるのが、堕落の始まりなのですが…。

写真B NJD7002とハーフブリッジ整流基板SKHBR-7002
基板の上のパスコン
ヘッドホン・アンプ1では、ASC X335をドカッと基板に載せていました。ところがX335の100 V 5μFは海神無線の在庫が少なく「単価が上がっていて,次に仕入れると値上げせざるを得ません」とのこと。
「ええっ!この次のパワーアンプにいっぱい使う予定なんで、基板も作ってるンですけど。何とか安く入りませんか」。「う~ん。交渉はしてるのですが…。でも、あの大きさならMKP1840 160 V 10μFが入ると思います。製造中止品ですが、在庫はあります」と。
ドイツのレダ-シュタイン社製です。青いケースに入ったフィルムコンです。デカい。基板を作って載せました(写真C)。ちなみに基板は,X335も載るようにしてあります。
音は、よいです。さすがに銅足のメタライズド・ポリプロピレン・フィルムコンデンサです。中高域が少しだけX335より薄いので、その分、最高域が明るく聞こえます。が、華やかとまでは言いません。中低域の充実感は、X335と同じです。むしろ全体のトーンバランスとしては広いように聞こえます。これなら安心して使えます。

写真C MKP1840を搭載したヘッドホン・アンプ基板
回路とパーツ
基板(SKHP-03E)の回路は、ヘッドホン・アンプ1と同じです(第2図)。進歩がありません。よくいえば、史上最高のヘッドホン・アンプ構成だから変えようがありません。ふつうに言えば、史上もっとも単純な構成だからです。
新日本無線 MUSES 03 のパラレル非反転アンプです。MUSES 03は、入力段と出力段をそれぞれ別チップとしたオペアンプです。250 mAもの最大出力電流を誇り、線のクッキリとした、どこまでも透明な再生音を聞かせてくれます。パラレル構成によって、負荷抵抗15 Ωにおいて3.5 Vrmsもの最大出力電圧を確保します。ヘッドホン・アンプとして十二分なドライブ特性を有しています。回路のゲインは11倍(21 dB)としています。
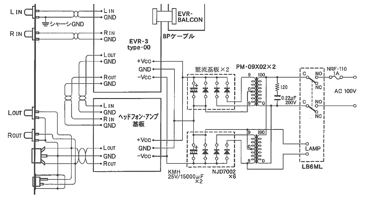
EVR-3 typeⅡ-00は、0から-80 dB、-∞までを1 dBステップまたは2 dBステップで調整する電子ボリュームです。MUSES 72320の出力をそのまま出力します。MUSES 72320は無限大の負荷抵抗で正確な減衰量となるよう設計されていますので、基板側の入力抵抗(R1, R14)は使用しません。

第2図 基板回路
全体回路を第3図に示します。電源は、ノグチトランスPM-09X02を用いたプラスマイナス独立のセンタタップ整流です。整流ダイオードNJD 7002はハーフブリッジ整流基板(SKHBR-7002)に載せて、日本ケミコンKMH 25 V 15000μFの端子に取り付けます。KMHはもちろんネジ端子です。
「ネジ端子が良いなんてありえない」との批判を見ましたが、自分で音を聞かないで判断できるなんて幸せな人ですねえ。聞いた上で「音が違わないから、あいつの耳はおかしい」と批判するのならわか りますが。

第3図 全体回路
脱線しました。ハーフブリッジ整流基板(SKHBR-7002)は、接続を変えれば±別々センタタップ整流にも、ブリッジ整流にもできます。無信号時の電源電圧は±12.7 Vくらいです。
EVR-3 typeⅡ-00には、EVR-BALCONを用いて左右バランス調整とリモコン操作を可能としています。EVR-BALCONはEVR-3に搭載されたMUSES 72320用のコントロール信号を作るだけですから、付加しても音質劣化はありません。リモコンにはマルツ電子のLV-10をご使用ください。第1表に使用部品を示します。
第1表 使用部品

ケースはタカチ電機フリーサイズUCSケースにて180-55-180サイズを頼みました。パネル加工を第4図に示します。シャーシは3 tの真鍮板です。タカチ電機では真鍮加工を受け付けてくれませんので、自分で加工しました。真鍮シャーシは、アルミよりもクッキリした音になります。5 mmのスペーサを介して基板を固定しています。
入出力端子はアムトランスAJ-320です。ツマミはマーベル社を使いました。通販サイト電即納にて扱っています。ケースの足は、タカチ電機アルミインシュレータフットAFS30-12Sです。
配線には、協和ハーモネットUL3265のAWG24を使用しています。音的には可もなく不可もありませんが、難燃架橋ポリエチレン絶縁電線であり、耐熱性に優れ、絶縁体が融けにくく配線しやすい電線です。


第4図 ケース加工
(a) フロントパネル
(b) リアパネル
写真Dにパーツを取り付けたシャーシを示します。

写真D パーツを取り付けたシャーシ
特性
第5図に33 Ω負荷時の周 波数特性を示します。フラットな特性です。ちなみに-3 dB点は約700 kHzです。無負荷でもほとんど変わりません。

ついでに100 kHzの方形波の出力も示します(第6図)。当然ですが、周波数特性そのままに良好な波形です。もっとも、波形に音は表されません。

第6図 100 kHz方形波出力
第7図にPanasonic VP-7723Bを用いて測定したひずみ特性を示します。第7図(a)は15Ω負荷です。この低負荷でも3.5 Vrmsの出力を得ています。第7図(b)は33Ω負荷です。クリッピングポイントは 5.6 Vrmsあたりです。いずれもクリッピングに至るまで 0.2 %以下のひずみです。MUSES 03の強力な出力段が良好な特性を支えています。


アンプの音をよくするために
前世紀の話ですが、「音のために一切の妥協を排した」とのキャッチコピーを見たことがあります。設計をわかっていない広告担当が考えたのでしょう。でも、最低ですね。アマチュアがアンプをまとめるにも妥協の繰り返しです。ましてメーカーが製品を作るには、はるかに厳しい「落としどころ」を求める作業が繰り返されます。
それともまさか、エンジニア自身がこのように考えていたのでしょうか。そうだとすると、救いようがありませんね。妥協がないということは、これ以上に音を良くできるポイントを何一つ知らないということですから。
ここ数年、ダイナミックヘッドホン用のアンプを作ってきましたが、「妥協」はしているものの、かなり満足できる仕上がりになったのではないかと思っています。では、私がどう考えているか。
(1)鍵はオペアンプの選定
オペアンプ構成とするときは、オペアンプの選定がもっとも大きなファクタとなります。石アンプではトランジスタの選定がもっとも重要なのですが、増幅回路のすべてを取り仕切るオペアンプの重要性は、はるかに大きなものとなります。
なぜなら、石アンプでも、抵抗のクオリティは重要です。抵抗だけを安物のソリッドからそれなりの音響用に交換すれば、アンプの音はグッと良くなります。ところがオペアンプでは「抵抗」もICチップ上に構成されています。ですから、トランジスタに抵抗を加えたほど大きなファクタとなるからです。
定評のあるオペアンプをいくつか比べましたが、いずれも伸びに欠けるオペアンプトーンが感じられました。唯一の例外がMUSESシリーズです。MUSE 03は,他のオペアンプにはない透明感ある伸びやかなサウンドを聴かせてくれます。現時点では決定版でしょう。
(2)電源
俗に「アンプの音の半分は電源が決める」と言われますが、まったくその通りと思います。単一乾電池や鉛バッテリはいい音を聞かせてくれます。インピーダンスが低いからと期待したにもかかわらず良くなかったのがリチウムポリマで、やっぱり電極が重たいのが良いのかとも思ってしまいます。
電池を使っていても定電圧回路を入れると良いとの意見もありますが、たしかに入れると音は変わります。マニアの間には一定電圧信仰があるようで、「電池の電圧が12 Vから11 Vに下がると『よくない』から一定の電圧にする」との教義ですが、断言しますが、その定電圧回路の出力電圧を10 %や20 %変化させても違いは聞こえません。
まあ、個人的には、定電圧回路を入れると増幅段数が増えたように聞こえるのが嫌で使いません。アンプも不要な定電流回路とか増幅段数が入ると、自然な感じが薄れるので好きではありません。
それから、定電圧回路を入れたとしても、上流側の電池あるいは電源トランスの音は例外なく聞こえます。結局のところ、オペアンプだけを使うのならデメリットはあるものの、メリットはありません。
バッテリは面倒なので商用電源を使っていますが、電源トランス、整流ダイオード、フィルタキャパシタのすべてに気を使わざるを得ません。
(3)受動部品
ディスクリートの石アンプで試した経験です。入力とグランドの間の入力抵抗が、もっとも音に影響します。その次がフィードバックの分圧回路です。それから出力に直列に入る保護抵抗。その次がプッシュプル・エミッタフォロワのエミッタ抵抗。各増幅段のコレクタ側の負荷抵抗、動作電流を決めるエミッタ側の抵抗と続き、意外と影響しないのが、次段のトランジスタのベースに入れる抵抗、と経験しています。
オペアンプ回路では、影響の大きな入力とフィードバック回路の抵抗が外付けとなっています。これはオペアンプ回路の音にとって良いことと考えます。
ICチップの上に構成される抵抗は、抵抗体ではありません。半導体です。つまり、FETのドレインソース間電圧対ドレイン電流特性グラフに示されるように、抵抗値は電圧依存性、つまりは非線形性を有します。信号によって、もろに印加電圧が変動するこれらの抵抗を外部に出していることが、音をよくすることにつながります。外付け抵抗を使用しないアンプICがどれもこれも、ろくでもない音しかしない理由のひとつは、ここにあると考えます。
(4)振動対策
振動対策も重要です。コストが3倍以上にアップするのですが、標準的なFR-4の厚みを1.6 tから2 tにするだけでも、音の芯がしっかりとしてきます。ここは真鍮ベースにするとさらに良くなるのですが、コストは30倍以上になってしまいます。私は作ろうとして挫折したので聞いたことはありませんが、空中配線が良いとも聞きます。いずれも、基板を介した中途半端な振動伝搬を減らせるからと思います。
もちろんケースも重要です。もっと分厚いパネルとしたいのですが、いまでも重いのがもっと重くなるのは困ります。
RCAジャックなどのコネクタも、取り付けるパネルの厚みと材質によって音が変わります。重くて振動しにくいパネルに取り付けると、音像がクッキリとしてきます。機械式ボリュームも取り付けパネルやツマミの重さによって音が変わりましたが、これも防振効果のためでしょう。
(5)EVR-3
積年の悩みの種であった機械式ボリュームを廃せました。ステップアッテネータを組まなくても良くなりました。
以上を考えて、落としどころを選んだのが本機です。最高の電子ボリュームと最高のオペアンプだけを用いた本機は、透明な音色と、明確な音像定位、そして広いパースペクティブを再現します。
お勧め致します。音楽に浸れます。
参考文献
1) 新日本無線、NJD7002データシート
(掲載 ラジオ技術2018年7月号)
